Cercetatorii au creat celule "zombie", care traiesc si dupa ce mor

Spre deosebire de filmele cu morti vii produse la Hollywood, aceste celule "zombie" indeplinesc anumite functii chiar mai bine decat atunci cand erau in viata.
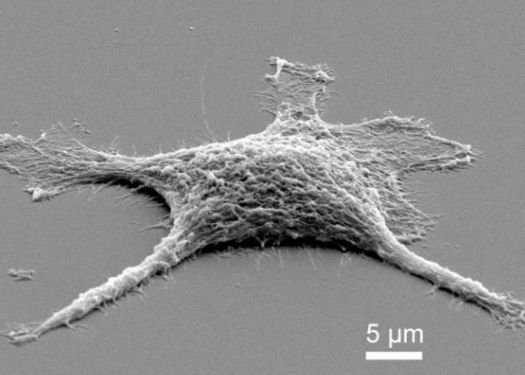
Oamenii de stiinta spun ca prin acoperirea celulelor cu acid silicic, acestea devin capabile sa reziste la temperaturi si presiuni mult mai mari decat celulele vii.
Aceasta tehnica le permite cercetatorilor sa conserve material biologic de valoare prin "transformarea acestuia in fosile".
Procesul a fost conceput de cercetatorii de la Sandia National Laboratories din Albuquerque si de la Universitatea din New Mexico, potrivit Mediafax.
Savantii au folosit acid silicic pentru a "imbalsama" celule de mamifere si pentru a crea replici aproape perfecte ale structurii acestora.
Ei cred ca aceste celule zombie pot fi folosite in industria manufacturiera, pentru fabricarea pilelor de combustie, in tehnologia de fabricare a senzorilor si ar putea repezenta viitorul nanotehnologiei.
"A fost o adevarata provocare pentru cercetatori sa construiasca structuri la o scala nanometrica. Putem sa producem particule si tuburi, dar deocamdata nu am reusit sa fabricam structuri 3D cu forme arbitrare", a declarat cercetatorul Bryan Kaehr.
"Cu ajutorul acestei tehnici, nu mai avem nevoie sa construim acele structuri - natura le creeaza pentru noi", a adaugat el.
Siliciul, cunoscut pentru proprietatile sale deosebite inca din Antichitate, se gaseste in nisip si in cuart.
Celulele vii sunt vopsite cu acid silicic intr-o cuva, iar apoi solutia silicata formeaza o replica in cele mai mici detalii ale acelor celule.
Fiind capabile sa supravietuiasca la presiuni si temperaturi extreme, celulele "zombie" pot "sa indeplineasca anumite functii mai bine decat le indeplineau atunci cand erau in viata", a declarat Michael Hess de la American Office of Public Affairs.
Prin incalzirea replicilor din siliciu pana la 400 de grade Celsius, partea organica a celulei se evaporeaza, iar celula devine un fel de "copie din ceara in trei dimensiuni, precum cele de la Madame Tussauds, a unui fost organism viu".
In acest fel, celulele pot sa isi continue "munca", chiar si dupa ce au murit, afirma Bryan Kaehr.
"Faraonul Tutankhamon a fost mumificat pentru ca mumia sa semene aproximativ cu felul in care arata in viata, insa procesul a avut loc fara mineralizare (o forma de fosilizare). Celulele noastre zombie fac legatura dintre chimie si biologie pentru a crea forme care nu numai ca seamana aproape perfect cu vietile lor trecute, dar pot sa lucreze si in viitor", a adaugat Bryan Kaehr.